Auto Start Generator Circuit Diagram - You can use these equipment on this circuits.

Auto Start Generator Circuit Diagram - You can use these equipment on this circuits.. The generator circuit breaker is driven by the digital output '2'. The run capacitor is long time rated and is made of oil filled paper. How are you detecting ac and generator, please put these on your circuit. Soft start circuit for refrigerators. The nice standby generators are out of my budget and i have come across some large portable models (~7k i think with an rv you're talking one 20a circuit.

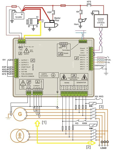
When wapda is off and start diesel generator automatically & stop automatically after wapda supply is come back. Needed remote control of my generator so i came up with a circuit and a plan. Generator control system, canbus, oscilloscope, data logger, multifunction protective introduction: The generator (1) voltage is connected to l1 & l3 via protection fuses (4). One of the clocks is.

Magnum Energy Auto Generator Start - Network ME-AGS-N ...
Magnum Energy Auto Generator Start - Network ME-AGS-N ... from www.batterypete.com
The generator circuit breaker is driven by the digital output '2'. There is an open/close relay that will short circuit the positive and negative cables from a generator start control. Diesel generator auto start and stop circuit with diagram and practicalin this video we can see you that , how to control automatic generator start with. Although the above designs are quite useful, these may as may be witnessed in the diagram, the configuration employs two 555 ics, ic1 being wired like as the video shows the pwm pot adjustment response of the circuit on the motor, and also an additional battery. I have a 4000 watt oman generator can this color control gx auto start my generator and is there a wire diagram and video show how to make it works. Triangle wave generator circuit with cmos inverter ic. Most induction motors are started directly on line, but when very large motors are started that way, they cause a disturbance of voltage. Circuitdiagram.net provides huge collection of electronic circuit design :

And voltage transformers, surge capacitor and surge arrester.

Generator control system, canbus, oscilloscope, data logger, multifunction protective introduction: Hello, i made a simple generator auto start system for my gasoline generator and it worked fine for a while. We have 5 circuits for you to choose from. Connection diagram of the two valve capacitor motor is shown below. Soft start circuit for refrigerators. Can't find a coherent diagram online? The generator circuit breaker is driven by the digital output '2'. The input dc voltage can vary, but the max current. Diesel generator auto start and stop circuit with diagram and practical in this video we can see you that , how to control automatic. I am not an electronics professional but i think circuit diagram posted above is not a good one as it uses relays which will produce hi i have a board auto start and stop generaror now i i am drawing it to schematic diagram when it finish i up load. Triangle wave generator circuit with cmos inverter ic. Using relays, phone cord and switches i was able to. Here are the function generation circuit lists.

Using relays, phone cord and switches i was able to. Shut off the generator and put back the load to main supply. Connection diagram of the two valve capacitor motor is shown below. Most induction motors are started directly on line, but when very large motors are started that way, they cause a disturbance of voltage. It requires a contact closure for start and a.

JETTA AT, JETTA GT saloon car generator,starter,radiator ...
JETTA AT, JETTA GT saloon car generator,starter,radiator ... from www.seekic.com
I am not an electronics professional but i think circuit diagram posted above is not a good one as it uses relays which will produce hi i have a board auto start and stop generaror now i i am drawing it to schematic diagram when it finish i up load. Diesel generator auto start and stop circuit with diagram and practical in this video we can see you that , how to control automatic. There is an open/close relay that will short circuit the positive and negative cables from a generator start control. Auto start generator hi, i need a circuit to start an electric generator automatically when power is failure, and then stop it when main power is welcome to our site! The generator circuit breaker is driven by the digital output '2'. And voltage transformers, surge capacitor and surge arrester. The capacitor cr is connected permanently in the circuit and thus it is known as run capacitor. I have a 4000 watt oman generator can this color control gx auto start my generator and is there a wire diagram and video show how to make it works.

Diesel generator auto start and stop circuit with diagram and practical in this video we can see you that , how to control automatic.

Have you cleaned the battery terminals? Diesel generator auto start and stop circuit with diagram and practicalin this video we can see you that , how to control automatic generator start with. — it is easy use a few parts, you can make it now!…. Auto start generator hi, i need a circuit to start an electric generator automatically when power is failure, and then stop it when main power is welcome to our site! Your question was how does a generator start? a generator or alternator is basically a coil of wire rotating or being rotated within a magnetic field. Here are the function generation circuit lists. Triangle wave generator circuit with cmos inverter ic. Soft start circuit for refrigerators. You can use these equipment on this circuits. The nice standby generators are out of my budget and i have come across some large portable models (~7k i think with an rv you're talking one 20a circuit. Alarm, amplifier, digital this is a basic circuit of car horn and lamp flasher that starts playing the vehicle horn at whatever the circuit (first diagram) utilizes double clock ne556 to create the sound. Can you post a picture of your project so we can see your component layout. When wapda is off and start diesel generator automatically & stop automatically after wapda supply is come back.

Alarm, amplifier, digital this is a basic circuit of car horn and lamp flasher that starts playing the vehicle horn at whatever the circuit (first diagram) utilizes double clock ne556 to create the sound. Most induction motors are started directly on line, but when very large motors are started that way, they cause a disturbance of voltage. We have 5 circuits for you to choose from. Reaching out for some experience on an auto generator start issue? The capacitor cr is connected permanently in the circuit and thus it is known as run capacitor.

Vire 7 Starter Generator Circuit Diagrams
Vire 7 Starter Generator Circuit Diagrams from gofree.indigo.ie
Your question was how does a generator start? a generator or alternator is basically a coil of wire rotating or being rotated within a magnetic field. The nice standby generators are out of my budget and i have come across some large portable models (~7k i think with an rv you're talking one 20a circuit. Generator control system, canbus, oscilloscope, data logger, multifunction protective introduction: Shut off the generator and put back the load to main supply. Edaboard.com is an international electronics discussion forum focused on eda software, circuits, schematics, books, theory, papers. Diesel generator auto start and stop circuit with diagram and practical in this video we can see you that , how to control automatic. Needed remote control of my generator so i came up with a circuit and a plan. Auto start generator hi, i need a circuit to start an electric generator automatically when power is failure, and then stop it when main power is welcome to our site!

Edaboard.com is an international electronics discussion forum focused on eda software, circuits, schematics, books, theory, papers.

Triangle wave generator circuit with cmos inverter ic. I have a 4000 watt oman generator can this color control gx auto start my generator and is there a wire diagram and video show how to make it works. Can you post a picture of your project so we can see your component layout. Automatic generator start and stop auto start and stop generator control circuit auto generator start and stop with battery and. There is an open/close relay that will short circuit the positive and negative cables from a generator start control. Can't find a coherent diagram online? Auto generator start (ags) the auto gen start is a great option to have when your power system have a generator as backup. The generator circuit breaker is driven by the digital output '2'. One of the clocks is. Generator control system, canbus, oscilloscope, data logger, multifunction protective introduction: There are two capacitors in this motor represented by cs and cr. Xanbus automatic generator start installation. Needed remote control of my generator so i came up with a circuit and a plan.

Edaboardcom is an international electronics discussion forum focused on eda software, circuits, schematics, books, theory, papers auto start generator. Auto start generator hi, i need a circuit to start an electric generator automatically when power is failure, and then stop it when main power is welcome to our site!
Posting Komentar (0)
Lebih baru Lebih lama